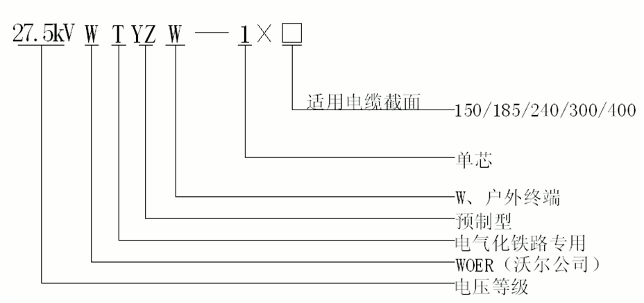
应用在电气化铁路用27.5kV牵引供电系统中,安装在27.5kV单相交流交联聚乙烯绝缘电缆户外端头侧,实现与户外高压电器或设备的电气连接
3、安装时按照要求处理好电缆本体后,将终端主体用力推套入安装位置即可。